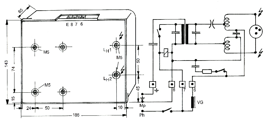
ZG 912


b*  walter bauch GmbH
 

Impressum         Zündgerät für Gleichstrom / Ignitor DC=         Zündgerät für Wechselstrom / Ignitor AC~         Zündgerät Spezial / Ignitor special         Zubehör / accessories         Wir über uns/about us         Datenschutz       

PDF
Datenblatt
 data sheet

912

ZG 912

Osram - Zulassung / registration No. 0-325

Für/For:

CID

 2500 W

HMI

 2500 W

MSR

 2500 W

MSI

 2500 W

CSR

 2500 W











Technische Daten - Engineering Data

Zündspannung/Ignition voltage

   50 KV

Max. Lampenstrom/lamp current

  30 A

Zündzeit/Ignition time

   2 sec

Betriebsspannung/operating voltage

 230 V AC 50 Hz

Stromaufnahme/operating current

     4 A

Zuleitungskapazität/supply-capacity

 5 - 30 pF

Umgebungstemperatur/ambient temperature

 110°F/50°C

Nettogewicht/net weight

 2,2 kg













Das Zündgerät gibt beim Einschalten der Versorgungsspannung
automatisch einen zeitlich begrenzten Zündimpuls ab.
Das gleiche erfolgt nach Netzunterbrechung von beliebiger Dauer.


By switching in the supply voltage the ignitor automatically releases a limited ignition
pulse.
The same is effected by mains interruption of any duration.

 

© Copyright Walter Bauch GmbH

     Impressum            Zündgerät für Gleichstrom / Ignitor DC=            Zündgerät für Wechselstrom / Ignitor AC~            Zündgerät Spezial / Ignitor special            Zubehör / accessories            Wir über uns/about us            Datenschutz